Захват подводный MUR Gripper

Захват подводный используется в наборах MiddleROV, можно использовать для разработки собственных подводных аппаратов.

ТНПА, АНПА и другие подводные аппараты и устройства, которым могут потребоваться захваты для подъема и манипуляции объектами, расположенными под водой.

Захват оснащен пластиковыми челюстями, которые можно заменить на другие при наличии потребности в усовершенствовании конструкции. Поверхность металлических деталей анодирована для защиты от коррозии. В основном валу используются полиацеталевые втулки скольжения, которые не подвержены коррозии и закисанию, в отличие от подшипников. У захвата имеется 8 возможных точек крепления к устройству-носителю, позволяя выбрать наиболее подходящее положение.

Захват подойдет и тем пользователям, которым необходимо готовое и качественное устройство, и тем, кто хочет его модернизировать под свой аппарат.

Электрические характеристики:

- Напряжение питания: 5-8.4 В;

- Номинальное напряжение питания: 7.4 В;

- Пиковый потребляемый ток: 3 А;

- Напряжение ШИМ: 3.3 - 5 В;

- Частота ШИМ: 50-300 Гц;

- Диапазон ШИМ: 500-2500 мс;

- Цветовое обозначение проводов: 

  • Черный - GND;
  • Красный - VDC;
  • Белый - Сигнал;

Механические характеристики:

- Глубина погружения: до 100 м;

- Время раскрытия: 1.5 с;

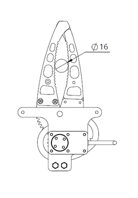
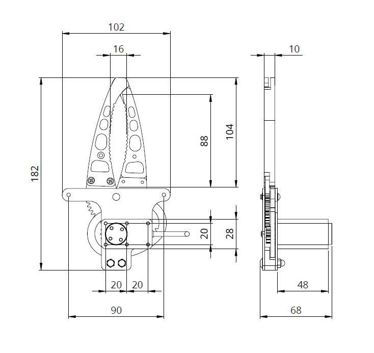
- Зазор челюстей при закрытом захвате: 16 мм;

- Максимальный зазор челюстей при открытом захвате : 100 мм;

-Угол поворота: 60 градусов

-Крутящий момент: 12 кгс

Материалы:

- Материал корпуса сервопривода: алюминий с анодированным покрытием;

- Материал редукторного механизма: алюминий с анодированным покрытием ;

- Материал челюсти: полиэтилен;

- Материал внешней изоляции кабеля: термополиуретан (TPU);

- Материал изготовления втулок скольжения: полиацеталь (POM);

- Материал крепёжных изделий: нержавеющая сталь А2;

Характеристики кабеля:

- Внешний диаметр кабеля: 4.5 мм;

- Проводники кабеля: 3х0.3 мм кв. 

- Длина кабеля: 1 м;

Крепление захвата:

- 6 резьбовых отверстий М3 на поверхности сервомеханизма;

- 2 отверстия ⌀ 3.2 мм над редуктором.

Габаритные размеры захвата: 182х102х68 мм

Габаритные размеры сервопривода: 65 х 50 х 30 мм

Вес: 350 грамм