Датчик давления MUR Depth sensor

Датчик глубины — это датчик давления с высоким разрешением, который герметичен и готов к установке в водонепроницаемый корпус на АНПА или ТНПА.

Датчик глубины используется в наборах MiddleAUV и HighROV, а также может быть использован для создания собственных подводных устройств.

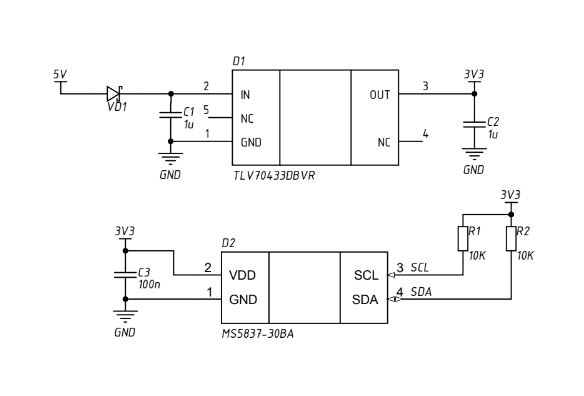
Датчик базируется на микросхеме MS5837-30BA, которая может измерять давление до 30 бар (глубина 300 м / 1000 футов) и имеет интерфейс I2C. Он работает при напряжении от 3,3 В до 5,5 В, напряжение логики 3,3 В. Стандартно поставляется с 4-контактным разъемом DF13, который совместим с большинством плат контроллеров полета, включая HighROV, PixHawk и другие.

Корпус датчика выполнен из анодированного алюминия и внешне не отличается от простого пенетратора или заглушки.

После использования датчика в воде его необходимо просушить, иначе показания давления и температуры будут дрейфовать.

Распиновка

  • Красный - 5В
  • Зелёный - SCL (3.3В логика)
  • Белый - SDA (3.3В логика)
  • Чёрный – GND

  • Длина, мм: 37
  • Диаметр отверстия для установки, мм: 10
  • Рабочее напряжение: 2,5 - 5,5 В
  • Напряжение логики I2C: 2,5 - 3,6 В
  • Пиковый ток: 1,25 мА
  • Интерфейс: I2C
  • Разъем: DF13
  • Макс. воздействие на мебрану: 50 бар
  • Рабочее давление: 0-30 бар
  • Рабочие глубины: 0-300 метров
  • Рабочая температура: -20..85 °C

Длина: 37 мм

Диаметр отверстия для установки: 10 мм

Масса: 70 г.